-
详细信息
一、简介
1. 用途
SD型(适用于公称直径≤DN900的母管中)收球网安装在凝汽器冷却水出水管上,携带海绵胶球的冷却水通过凝汽器管束后进入SD型收球网内,经网板阻挡后回收到胶球清洗系统中,供再循环使用。
2. 型号意义
S D ----- X
收球网公称通径
单网板
收球网
3. 结构特点
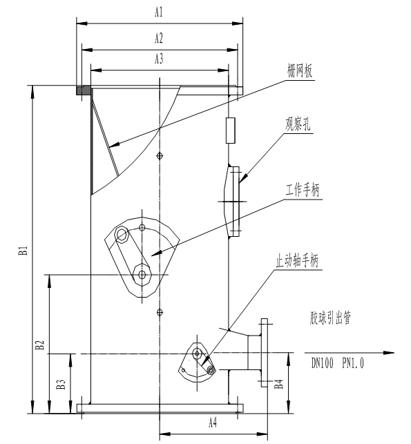
SD型(图1)由一个网板、一个操作机构、导流翼、外壳、压顶装置等组成。在保持了原有收球网相对稳定性的基础上,在内部网板及下部出球口处进行了针对性的改进设计,使得网板呈整体式结构,采用隔圈、螺杆压紧式,保证各栅条间的距离及整体的强度,不夹球、不变形;出球口加装了一套“压顶装置”防止网板经长期运行产生变形与出球口贴合不牢。
网板由不锈钢条制成,可以转动,当网板靠在外壳壁上时为收球位置。转动一定角度到达反洗位置。
二、主要技术参数
收球率 ≥95%
水阻 ≤300mmH2O
网板板条间距 6mm
三、工作原理及操作说明
1. 工作原理
(1) 收球位置:当系统运行时,网板处于收球位置,此时网板四周紧贴外壳内壁,胶球通过网板阻拦在一侧汇集,经引出管,被一小股水流携带吸入胶球输送泵,这样,胶球又被回收到清洗系统,供再循环使用。
(2) 反洗位置:网板前后压差达一定值时,操作网板至反洗位(收球后进行),此时积存在网板上的杂物,就会被冷却水流冲洗并携带走。
2. 操作说明
(1)当收球时,先将止动轴手柄打至“开”位置,然后转动网板,至“收球”位置,再将止动轴手柄打至“关”位置并锁紧。
(2)当运行时(不收球状态),先将止动轴手柄打至“开”位置,然后转动网板,使之处于“运行”位置。为了降低水阻,此时可将止动轴手柄打至“关”位置。
(3)运行中,当止动轴手柄处于“关”位置时,切勿操作网板至收球位置。
四、设备外型与结构尺寸
1. SD型收球网外型结构 2. SD型收球网外型尺寸
表1型号
尺寸SD-400 SD-500 SD-600 SD-700 SD-900 A1 φ535 φ640 φ755 φ860 φ1075 A2 φ495 φ600 φ705 φ810 φ1020 A3 φ426×5 φ530×6 φ630×6 φ720×7 φ920×8 A4 363 415 465 510 610 H1 1150 1300 1600 1800 2308 H2 485 666 755 900 1100 H3 250 220 207 220 220 H4 230 200 198 200 200 D1 DN100 DN100 DN100 DN125 DN125
1.2 双板式收球网(SQ型)
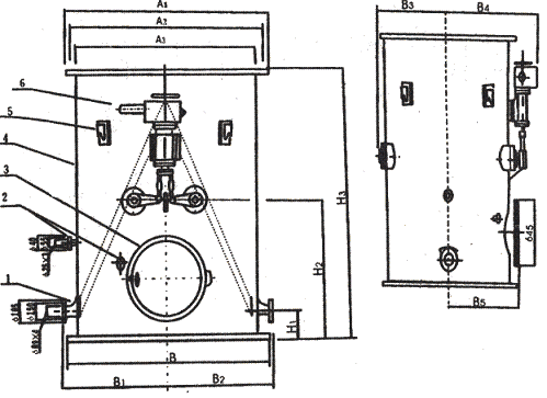
SQ型收球网是一种zui新型收球网,具有以下特点:①改变收球网的结构型式,收球时,网片呈“V”型,杂草、杂物及胶球集中于网片底部,有效地克服了跑球、卡球现象。不收球时,网片呈“A”型状,可以对网片进行反冲洗。②采用强制性回收胶球机构,把胶球及杂物直接送到胶球泵入口处。③去除了关断阀、调节阀等活动部件,使其结构简单,操作方便且体积也比原来的收球网缩小了1/3。④由于采取了强制回收,所以对胶球泵出力要求不高,且不受流速、流量大小的影响,胶球回收率可达95%以上。
该型号的收球网由筒体、栅网板、电动推杆、螺旋输送机构等部件组成,收球时,栅网板呈“V”型,胶球杂物及水垢等沿栅网板表面下滑到收球网底部,并被螺旋机构强制送到胶球引出管,由胶球泵抽吸至装球室进行下一轮清洗。不收球时,利用电动推杆,曲柄机构使栅网板呈“A”型,此时既可以减小水阻,又可以利用水流对栅网板进行反洗,使遗留在栅网板上的杂物被水流冲去,保证收球效率。
表2: SQ型收球网外型尺寸型号
尺寸SQ800
SQ900
SQ1000 SQ1200 SQ1400 SQ1600 SQ1800 SQ2000 D φ970 φ1075 φ1175 φ1400 φ1620 φ1820 φ2040 φ2265 D1 φ920 φ1020 φ1120 φ1340 φ1560 φ1760 φ1970 φ2180 de φ800 φ900 φ1000 φ1200 φ1400 φ1600 φ1800 φ2000 H 1700 1820 1980 2250 2530 2800 3070 3350
图3: SQ型收球网外型结构
扫一扫,手机浏览






